| Antal | Längd (mm) |
|---|
Takfotsbeslag - CL185
KAPNING AV SKENOR OCH RÖR!
OBS: Varje snitt tar 3 mm av längden. 1. Klicka på knappen "Lägg till skärning". 2. Ange antal och önskad längd (Klicka på knappen "Lägg till skärning" igen om du vill lägga till ytterligare kvantiteter/längder). 3. Klicka deretter på knappen "Beräkna". Numret är uppdaterat nedan. 4. Klicka slutligen på knappen "Lägg i korgen". Antal snitt och antal längder läggs till din korg.
Takfotsbeslag för användning i mindre byggnadsstrukturer.
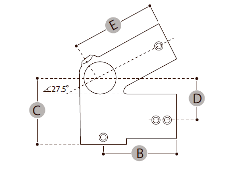
| CL koppling artikelnr. | A | B | C | D | E | F | G | Håldiameter mm |
Vikt kg |
|---|---|---|---|---|---|---|---|---|---|
| 185-4 | 4 | 83 | 93 | 55 | 70 | 1,22 |
Klämmans storlek ~ Rördiameter: 4 ~ 48,3 mm (1 1/2") rör.
Galvaniserat takfotsbeslag för rör
Använd denna rörkoppling tillsammans med takstolskopplingen CL191 för att bygga konstruktioner med betydande bärförmåga och stöd.
Det horisontella utloppet för stagning har dubbelgängade skruvar. Detta ger konstruktionen ytterligare stabilitet i förhållande till draghållfasthet.
Bygg enkelt räcken, ledstänger och andra fallskydd m.m.
Clarrods Clamps är varmförzinkade för jämn täckning och mycket högt korrosionsskydd i alla väderförhållanden.
Clarrods rörkopplingar levereras med rostfria gängade skruvar och är superenkla att bygga med. Skarva rör med Clarrods Clamps i exakt den längd du behöver - utan svetsning eller gängning. Placera och dra åt kopplingen på röret/rören med en enkel insexnyckel eller momentnyckel.
Du kan ta isär och återanvända rör och kopplingar lika enkelt, vilket ger dig en hög grad av flexibilitet och fler användningsmöjligheter än med traditionella VVS-kopplingar och gängade vattenrör.





















