| Antal | Längd (mm) |
|---|
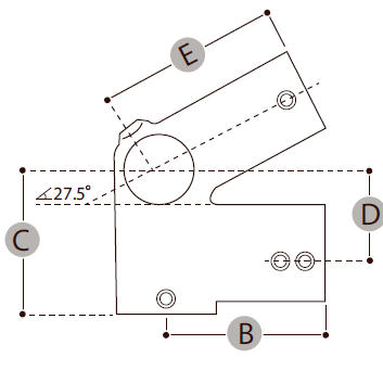
Takstolskoppling - CL191
KAPNING AV SKENOR OCH RÖR!
1. Klicka på knappen "Lägg till skärning". 2. Ange antal och önskad längd (Klicka på knappen "Lägg till skärning" igen om du vill lägga till ytterligare kvantiteter/längder). 3. Klicka deretter på knappen "Beräkna". Numret är uppdaterat nedan. 4. Klicka slutligen på knappen "Lägg i korgen". Antal snitt och antal längder läggs till din korg.
Takstolskoppling för användning i mindre byggnadskonstruktioner.
| CL koppling artikelnr. | A | B | C | D | E | F | G | Håldiameter mm |
Vikt kg |
|---|---|---|---|---|---|---|---|---|---|
| 191-4 | 4 | 68 | 95 | 1,07 |
Klämmans storlek ~ Rördiameter: 4 ~ 48,3 mm (1 1/2") rör.
Galvaniserad takstolskoppling för rör
Använd denna rörkoppling tillsammans med takstolskopplingen CL185 för att bygga konstruktioner med betydande bärförmåga och stöd.
Det vertikala utloppet för stagning har dubbla gängade skruvar. Detta ger konstruktionen ytterligare stabilitet i förhållande till draghållfasthet.
Bygg enkelt räcken, ledstänger och andra fallskydd m.m.
Clarrods Clamps är varmförzinkade för jämn täckning och mycket högt korrosionsskydd i alla väderförhållanden.
Clarrods rörkopplingar levereras med rostfria gängade skruvar och är superenkla att bygga med. Skarva rör med Clarrods Clamps i exakt den längd du behöver - utan svetsning eller gängning. Placera och dra åt kopplingen på röret/rören med en enkel insexnyckel eller momentnyckel.
Du kan ta isär och återanvända rör och kopplingar lika enkelt, vilket ger dig en hög grad av flexibilitet och fler användningsmöjligheter än med traditionella VVS-kopplingar och gängade vattenrör.





















