| Antal | Längd (mm) |
|---|
Obs: Använd dessa CERTA HD-förstyvningar tillsammans med CERTA HD-vinkelfästen och monteringsskenor.
XPCSEM16 - CERTA SE förstyvning, M16 | BESTÄLLNINGSARTIKEL
KAPNING AV SKENOR OCH RÖR!
1. Klicka på knappen "Lägg till skärning". 2. Ange antal och önskad längd (Klicka på knappen "Lägg till skärning" igen om du vill lägga till ytterligare kvantiteter/längder). 3. Klicka deretter på knappen "Beräkna". Numret är uppdaterat nedan. 4. Klicka slutligen på knappen "Lägg i korgen". Antal snitt och antal längder läggs till din korg.
OBS! BESTÄLLNINGSVARA, VI KONTAKTAR DIG ANGÅENDE LEVERANSTID.
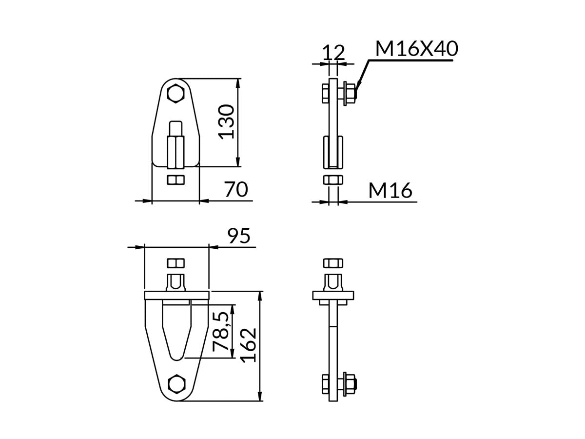
Ultra cover belagd HD-stag för HD-monteringsskenor, 45°, 162 x 95 mm.
Ultra cover belagd stag för användning vid avstag av vertikala/horisontella HD-monteringsskenor. Passar KE- och KJ-vinkelfästen.
Obs: Säljs individuellt, men används parvis med två vinkelfästen.





